銷售熱線:400-887-6230
服務熱線:400-887-8230
在2002年就進入通用航空領域,2016年成功收購加拿大AVMAX公司,業務細分為航空制造、航空運營和航空運營商服務三大版塊,初步形成全產業鏈布局的發展格局。已廣泛應用于航拍航測、農林植保、電力巡線、公安警用等領域。
了解更多 +
山河智能依托多年來在工程裝備機電液一體化技術、機器人技術、復雜環境適應性改進等方面的積累,瞄準各種特殊用途、惡劣環境開發量一系列特種裝備,努力探尋差異化產品的自主開發道路,近年來完成了一系列具有鮮明特色的特種裝備產品的開發。
了解更多 +
請搜索關注“山河智能”公眾號,實時接收最新官方二手機車源信息。使用"山河智能官方二手機"小程序,參與線上競價。平價搶好機!
了解更多 +
山河智能裝備集團是中南大學何清華教授領銜于1999年創辦,現已發展為以上市公司山河智能裝備股份有限公司(以下簡稱“山河智能”證券代碼:002097)為核心,以長沙為總部,以裝備制造為主業,在國內外具有一定影響力的國際化企業集團,躋身于全球工程機械企業50強、世界挖掘機企業20強、世界支線飛機租賃前3強。
山河智能裝備股份有限公司裝載機遙控艙底盤招標由山河智能裝備股份有限公司授權的招標小組實施。山河智能裝備股份有限公司招標小組負責組織招標事務,并同中標供應商簽定正式的購買合同。
本次招標,旨在通過公開邀請符合資質及技術要求的供應商進行綜合評比,選擇最符合本公司需求的供應商進行合作。本次招標組織實施過程中的所有事項,包括但不限于程序的設定、招標評標人員的選定、招標需求和評標標準的確定等,均由山河智能裝備股份有限公司根據本公司及本次招標的實際需要確定并負責解釋。山河智能裝備股份有限公司對投標方提供之方案和價格有權全部、部分或放棄采納;投標方提供之標書必須符合招標要求,如有不符事項必須注明。
歡迎廣大合格投標人前來競標。
本項目招標文件將于 2023年 10月15日至2023年10月22日 上午9:00時至11:30時,下午14:00時至17:00時(北京時間,下同),在湖南長沙星沙涼塘東路1335號山河工業城新辦公樓四樓商務辦公室發布,請投標人派人持本單位介紹信、營業執照(復印件)、經辦人身份證前來報名(網絡和微信報名可憑以上證件的掃描件報名?。?。
整套文件的售價(含電子版)出售價格為 零 元( 不收報名費)。
招標公告發布地址:http://m.anhjl.com。
招標文件在報名資格審核通過以后,以郵件的形式發送給投標人
1、招標范圍:
3.1 采購產品:裝載機遙控艙底盤。
3.2 本次招標包含產品、售前、售中、售后服務;
3.3 本次招標價格包含增值稅、產品包裝、運費、保險等一切費用;
3.4 投標人的投標報價應基于以上范圍,不可缺少;
2、招標產品標段和清單:
|
標段 |
品號 |
品名 |
機型 |
單臺用量 |
年需求用量 |
|
1 |
807P90040000.S1 |
裝載機遙控艙底盤-2023 |
SWL1751RC遙控裝載機 |
1 |
100 |
備注:年采購量為計劃采購量,具體交貨數量以實際采購訂單為準。
|
欄號 |
項 目 主 要 內 容 |
|
1. |
項目名稱:山河智能裝載機遙控艙底盤采購招標 |
|
2. |
投標貨幣:人民幣 |
|
3. |
投標有效期:90天 |
|
4. |
投標保證金額:無 |
|
5. |
本標項目不組織前期集中聯絡和項目說明會 招標報名時間:2023年10月15日—— 2023年10月22日。 |
|
6. |
投標文件遞交:山河智能裝備股份有限公司 |
|
地址:湖南長沙星沙涼塘東路1335號山河工業城 |
|
|
7. |
投標文件遞交截止時間:2023年10月27日(周五)上午9 時 |
|
8. |
開標時間:2023年10月27日(周 五)上午9時,公開開標 開標地點:湖南長沙星沙涼塘東路1335號山河工業城 |
|
9. |
特別說明:投標文件及開標一覽表開標前統一遞交,所有文件需按招標文件要求密封,投標概要須單獨密封! |
招標人地址、項目聯絡人及聯系方式
招標人商務聯系人: 王強
聯系電話:0731-86407775 ;郵政編碼:410100 傳真:0731-84020678
郵箱地址:wangqiang@sunward.com.cn
開 戶 行:工行長沙金鵬支行
帳 號:1901018009004723270 稅 號:91430000712164273J
B、山河智能裝備股份有限公司有權根據招標情況對本次招標進行暫停、分標、終止等活動。
C、山河智能裝備股份有限公司對招標文件有最終解釋權。
山河智能裝備股份有限公司 招標小組
2023年10月14日
第二章 技術要求
1、概述
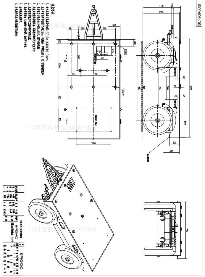
底盤用于裝載機遙控艙,上裝操作駕駛室及工具箱。
2、技術要求
(1)底盤為牽引桿式越野掛車,設置剎車、燈光;
(2)載荷≥2噸;
(3)底盤最小離地間隙不小于400毫米;
(4)具備牽引行駛接口,最大牽引速度不低于35千米/小時;
(5)出具牽引行駛可靠性第三方檢測報告,試驗要求:負載不低于1000kg,牽引行駛速度不低于35km/h,牽引行駛里程不低于500公里;
(6)結構件焊縫打磨光滑、無裂紋、氣孔、夾渣等焊接缺陷,重要焊縫質量應符合JB/T 5943-2018中A類的要求。
(7)涂裝技術要求:
①產品涂裝與油漆屬性:結構件部分噴涂底漆,面漆為GY06軍車綠色(按甲方提供的色卡),漆膜厚度40~100μm。
②涂裝前對屬具機加面進行防護處理。
③涂層美觀無脫落、銹蝕、露底、裂紋、氣泡、咬底、針孔、縮孔、碰劃傷等表面質量缺陷。
3、產品配置
詳細配置最終以甲、乙雙方會簽確認的圖紙為準。
下一頁:山河智能輪胎保護履帶招標公告